Stability of Bracket Plates using Local Buckling Analysis and Material Nonlinear Analysis (AISC)

Ez a cikk a következő nyelveken is elérhető
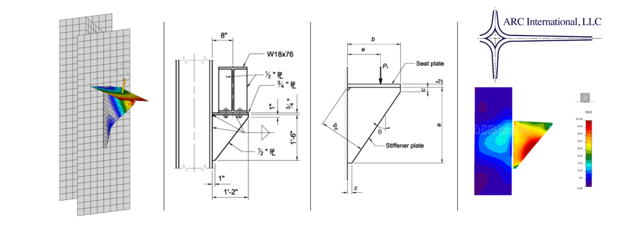
A research study was performed to develop practical design guidelines for the buckling strength of bracket plates that can be implemented with Local Buckling Analysis and Material Nonlinear Analysis.

When designing connections per AISC 360, chapter J.4 establishes formulae for elements of members at connections and connecting elements, such as plates, gussets, angles, and brackets. The traditional design method uses mathematical equations to calculate the strength of structural elements.

Although accurate equations have been developed for most common conditions, only empirical or semi-empirical equations are available for some connection elements. However, with proper modeling techniques, connections can be designed with finite element models considering the following:

  • Material nonlinear analysis (MNA) for accurate prediction of the strength.
  • Linear buckling analysis (LBA) can provide information on the ideal elastic buckling behavior of Connections.
  • Geometric non-linearities (GMNIA) to include second-order effects, inelastic material behavior, geometric imperfections, and residual stresses in the LBA.

 The research includes experimental data from 86 experimental specimens, hand calculations using the design method by 15th AISC manual, and finite element method.

Conclusions:

  • For the 86 specimens, the design method in the 15th Edition AISC Manual was conservative
  • The results showed that accurate results can be achieved with the finite element method by combining MNA with LBA.
  • To avoid buckling, the critical load, Pel, based on LBA, must be equal to or greater than 4Pr for LRFD design and 6Pr for ASD design.
  • A design example of a bracket connection is presented using hand calculations and finite element analysis.

Download the full document

Author: Bo Doswell, PE, Ph.D.

Company: ARC International, LLC

Date: August 26, 2022

About the author:

Bo Dowswell started in the steel industry in 1985 as a detailer. Since then, he earned B.S., M.S. and Ph.D. degrees from Auburn University and The University of Alabama at Birmingham. As a professional engineer, his design practice focuses on steel structures. Currently, he is principal of both SDS Consulting, a design firm, and ARC International, which specializes in research and consulting. Bo Dowswell is also an adjunct professor at The University of Alabama at Birmingham, where his research and teaching is concentrated on steel connection design. Additionally, he provides consulting services for the AISC Steel Solutions Center.

Bo Dowswell is the author of AISC Design Guide 33, Curved Member Design, and he regularly publishes technical articles on steel design. He won the 2020 AISC T. R. Higgins Lectureship Award for his research and publications on gusset plates. He is a member of several AISC committees, including the Committee on Specifications, the Committee on Manuals, the Committee on Research, and the Task Group on Industrial Buildings and Nonbuilding Structures. Bo Dowswell is also a member of Structural Stability Research Council, where his activities are primarily related to connection element and beam stability.