Entwurf - Stütze mit Fußplatte

Dieser Artikel ist auch verfügbar in:

Dies ist die zweite zu konstruierende Verbindung.

inline image in article

Wählen Sie Con-3 am unteren Rand der ersten internen Spalte und drücken Sie Öffnen.

inline image in article

Wenden Sie eine Fußplatten-Operation mit den folgenden Parametern an:

inline image in article

Um die Strebe mit der Fußplatte zu verbinden, verwenden wir die Operation Verbindungsblech, um diese sowohl mit der Stütze als auch mit der Fußplatte verbinden:

inline image in article

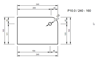
Das Knotenblech für das Anschlussblech sollte eine Rundung von 40mm und die Zungenbleche 20mm haben.

inline image in article
inline image in article

Damit ist der Anschluss für die Fußplatte der Stütze abgeschlossen.

inline image in article

Berechnen, speichern und beenden Sie diese Verbindung zurück zu Checkbot.

Sie sehen, dass neben der Verbindung ein weiterer grüner Haken ist. Dies bedeutet, dass die Verbindung gültig ist und ihre Normnachweise bestanden hat.

inline image in article