7.3 Uniplanar T-joint between longitudinal gusset plate and RHS chord

7.3.1 Description

The object of this chapter is a verification of component based finite element method (CBFEM) of a uniplanar welded T-joint of a gusset plate to a rectangular hollow section chord with failure modes (FM). The gusset plate is welded directly onto the face of the rectangular hollow section chord in a lattice truss.

7.3.2 Method of failure modes

The chord face failure occurs in the connection of gusset plate to RHS chord, see Fig. 7.3.1. Welds are designed according to EN 1993-1-8:2005 not to be the weakest component in the joint. A continuous load in parts of a lattice truss causes that the internal forces are in the form of normal forces and bending moments. A point of action of the internal forces in a T-joint is described as follows:

Axially-loaded RHS chord

The normal forces in the chord right and left of a T-joint act in the chord longitudinal axis.

Diffraction-loaded RHS chord

Bending moments right and left of a T-joint in plane of the T-joint are considered in the chord and the bending moments rotate around one of the axes in plane of chord cross-section for rotation in plane of the T-joint.

Axially loaded gusset plate

The normal force in the brace of a T-joint acts in the direction of the brace longitudinal axis.

inline image in article

Fig. 7.3.1 Chord face failure

The design resistance of the chord web is determined using the method given in section 7.6 EN 1993-1- 8:2005, which background is described in (Wardenier et al, 2010). The load from the gusset plate has to be transferred through the face of the chord. The design resistance of the joint is predicted as:

inline image in article
inline image in article

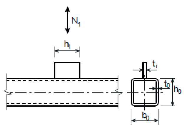
Fig. 7.3.2 Joint’s geometry with dimensions

7.3.3 Verification of resistance

Results of the method based on failure modes (FM) are compared with the results of CBF. The comparison was focused on resistance and the critical component of the joint, see in Tab. 7.3.2.

Tab. 7.3.2 Comparison of CBFEM and FM for tensile force in plate

inline image in article

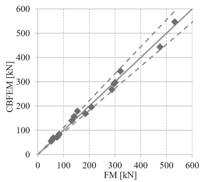
The parametric study shows a good agreement for the applied load cases. To illustrate the accuracy of the CBFEM model, results of the parametric study are summarized in a diagram comparing CBFEM’s and FM’s design resistance, see Fig. 7.3.3. The results show that the difference of the two calculation methods is in most of cases less than 10%.

inline image in article

Fig. 7.3.3 Verification of CBFEM to CM for axial force in brace of uniplanar T-joint between longitudinal gusset plate and RHS chord

7.3.4 Range of validity

CBFEM is verified for T-joints between a RHS chord and a gusset plate. Range of validity is defined in Tab. 9 in ISO/FDIS 14346, see Tab. 7.3.3. The validation to experiments or verification to validated research model should be prepared in case of application of the CBFEM model outside the range of validity of FM.

Tab. 7.3.3 Range of validity of joints between longitudinal gusset plate and RHS chord (Table 9 in ISO/FDIS 14346)

inline image in article

7.3.5 Benchmark case

Inputs

Chord

  • Steel S355
  • SHS 200x12,5

Gusset plate

  • Steel S355
  • Plate P15x150 Weld
  • Throat thickness aw =10 mm

Outputs

  • Design resistance in tension Ft,Rd = 291 kN
  • Collapse mode is chord face failure
inline image in article

Fig. 7.3.4 Benchmark example of chord SHS200x12,5 and gusset plate P15x150